Коробка передач механическая с шестернями постоянного зацепления, предназначена для изменения скорости движения мотоблока и обеспечения реверса.
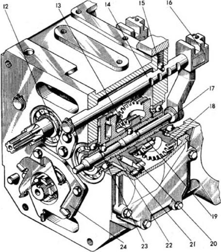
В коробке передач (рис.8, 8а) находятся расположенные параллельно в корпусе 11 первичный 1, вторичный 6 и промежуточный 22 валы.
Первичный вал 1 полый, выполнен заодно с блоком шестерен, установлен на двух шарикоподшипниках в расточках корпуса и зафиксирован от осевого перемещения буртиком корпуса и стопорной пластиной 12. На валу на подшипниках установлен блок шестерен 4 заднего хода.
Зубчатые венцы шестерен первичного вала находятся в постоянном зацеплении с шестернями 20 и 21 промежуточного вала. Блок шестерен 4 заднего хода находится в зацеплении с шестерней 18 промежуточного вала и блоком шестерен реверса 7 вторичного вала при включении заднего хода.
Промежуточный вал 22 установлен на двух шарикоподшипниках и зафиксирован от осевого перемещения стопорной пластиной 12. Промежуточный вал полый, с четырьмя рядами радиально расположенных отверстий (по 3 отверстия в каждом ряду), в которых свободно установлены заклинивающие шарики 13, вводимые поочередно во впадины свободно сидящих на валу шестерен 18, 19, 20 и 21 штоком 17 переключения передач.
Вторичный вал 6 выполнен заодно с ведущей шестерней главной передачи и установлен на двух шарикоподшипниках. От осевого перемещения вал зафиксирован стопорным кольцом 8 и гайкой 9.
При работе коробки передач вращение от двигателя через муфту сцепления передается на первичный вал 1, а с него, посредством шестерен 20 и 21, на промежуточный вал 22. С промежуточного вала шестерни 18 и 19 передают вращение на скользящий блок шестерен реверса 7, установленный на вторичном валу.
Включение передач осуществляется перемещением штока 17, который, вытесняя заклинивающие шарики 13, включает соответствующую передачу.
Для включения заднего хода блок шестерен 7 (рис.8) необходимо переместить в положение II (рис.9).
Схема силовых потоков КП на различных передачах показана на рис. 9.
Механизм управления коробкой передач предназначен для включения переднего и заднего хода и переключения передач.
Механизм управления реверсом состоит из валика 2 (рис.8), установленного в корпусе трансмиссии 11, на котором жестко закреплена вилка 3 блока шестерен 7.
От рычага 7 (рис.3) реверса усилие передается через тягу 4 и рычаг 19 на вал с рычагом 2 (рис.10), который посредством штифта, входящего в паз поводка 1, перемещает валик 2 (рис.8) вместе с вилкой 3 и блоком шестерен реверса 7.
Рисунки 8, 8 а - Коробка передач 1 - вал первичный; 2 - валик включения реверса; 3 - вилка блока шестерен; 4 - блок шестерен заднего хода; 5 - поводок; 6 - вал вторичный; 7 - блок шестерен реверса; 8 - кольцо стопорное; 9 - гайка; 10 - крыльчатка; 11 - корпус трансмиссии; 12 - пластина стопорная; 13 - шарик заклинивающий; 14 - валик переключения передач; 15 - фиксатор; 16 - вилка; 17 - шток; 18 - шестерня III и IV передач; 19 - шестерня I и II передач; 20 - шестерня II и IV передач; 21 - шестерня I и III передач; 22 - вал промежуточный; 23 - шайба; 24 - стакан.
Механизм переключения передач состоит из валика 14 (рис.8а), перемещающегося в корпусе трансмиссии, вилки 16, жестко закрепленной на валике и входящей в зацепление со штоком 17 промежуточного вала. Усилие от рычага 8 (рис.3) переключения передач передается через тягу и рычаг на вал с рычагом 7 (рис.10), который посредством штифта, входящего в паз вилки 16 (рис.8а), перемещает валик 14 вместе с вилкой и штоком 17.
Валик 14 в нейтральном положении фиксируется фиксатором 15 (рис.8а), а при включенной передаче - аналогичным фиксатором, расположенным в горизонтальной плоскости.
Рисунок 9 - Схема силовых потоков коробки передач на различных передачах



Комментариев нет:
Отправить комментарий